Наши поставщики вентиляции
Наши поставщики кондиционеров
г.Москва, Локомотивный пр., д.21,к.5, оф.310
ventclim@gmail.com
(495) 741-98-96
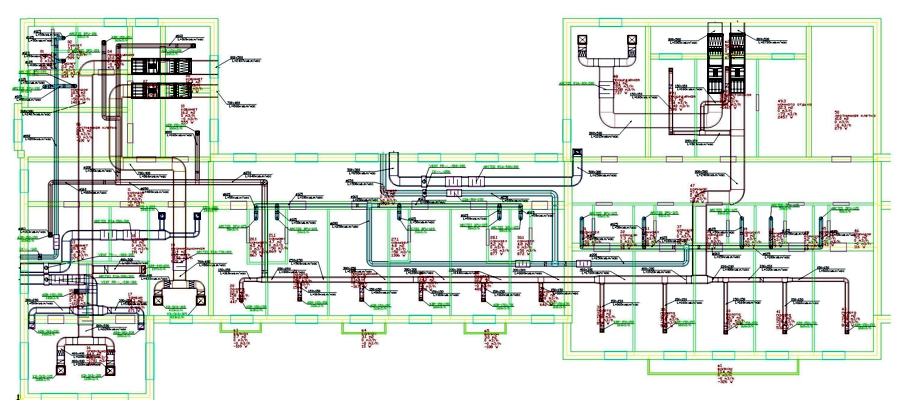
В проекте запроектированны прямоточные приточные установки в гигиеническом исполнении производителя вентиляционного оборудования VTS Klima для обслуживания операционной и малой операционной. Для общеобменной системы вентиляции используется приточная установка в обычном исполнении. В составе приточных систем используются несколько степеней очистки воздуха:
Для создания микроклимата применяются водяные нагреватели и охладители воздуха с парогенератором для увлажнения и поддержания влажности воздуха в операционных на уровне 50% и температуры 22гр.Ц
Для резервирования работы приточных и вытяжных установок дополнительно запроектированы резервные вентиляторы с автоматическим включением по сигналу "аварии вентилятора" или датчика перепада давления на вентиляторе.
Вытяжные вентиляторы из операционных используются во взрывобезопасном исполнении фирмы-производителя SystemAir KTEX.
Для поддержания положительного баланса в 30Па в операционных , чтобы исключить переток воздуха из соседних помещений, используется монитор давления Regin DMD. Монитор соединен с частотным преобразователем скорости двигателя вытяжного вентилятора. При падении разницы давления между приточным и вытяжным воздухом, из-за частичного загрязнения фильтров, монитор подает сигнал на частотный регулятор двигателя вытяжного вентилятора для изменения частоты вращения в сторону уменьшения. Для контроля загрязнения фильтров используются дифференциальные преобразователи давления Polar Bear DPM 2500D, при работе установки они в постоянном режиме подают сигнал о степени загрязнения фильтров на контроллер управления приточной установкой и сигнализируют при подходе степени загрязнения фильтров к предельно дупустимым.

.jpg)

Copyright © 2006 all rights reserved. Vent-climat.
Сделано в Создание сайтов москва
|
|
|